No.11128
● Low Voltage Operation : 1.8V to 5.5V
● RON is Typically 4.5Ω at 5V
● Low On-Resistance Flatness
● -3dB Bandwidth: 300MHz
● Rail-to-Rail Input and Output Operation
● Typical Power Consumption (<0.01 μW)
● TTL/CMOS Compatible
● -40℃ to +85℃ Operating Temperature Range
● Lead (Pb) Free TSSOP-16 Package
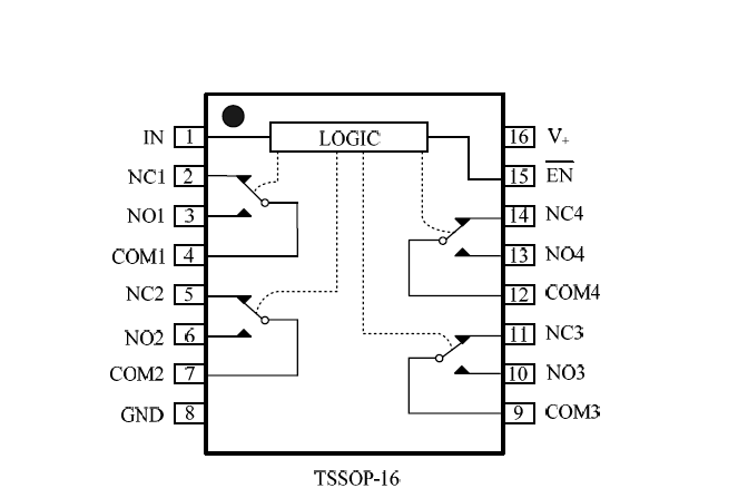
The SGM5018 is a high-speed, low-voltage, quad single-pole/double-throw (SPDT) CMOS analog switch multiplexer that is designed to operate from a single +1.8V to +5.5V power supply. SGM5018 features guaranteed on-resistance (4.5Ω TYP), on-resistance matching (3.6Ω MAX) between switches and guaranteed on-resistance flatness over the signal range (3Ω TYP). This ensures excellent linearity and low distortion when switching audio signals. Fast switching speed, coupled with high signal bandwidth (300MHz), also makes the parts suitable for video signal switching. CMOS process ensures ultra low power dissipation, making the parts ideally suited for portable and battery powered instruments.
SGM5018 is available in Pb-free TSSOP-16 package.









